Evergreen Maritime is China leading manufacturer of high performance foam filled marine fenders. Most advanced technology in design and manufacturing foam fenders products. Foam Filled Marine Fenders are unsinkable, tought heavy-duty fendering system for harbor, offshore and ship-to-ship application.
Our foam filled marine fenders include four types as follows:
— Ever-Guard Foam Filled Fenders
— Ever-Cushion Foam Filled Fenders
— Rubber Foam Filled Fenders
— Shipboard Foam Fenders
Advantages of Foam Filled Marine Fenders
Foam filled marine fenders are constructed with closed-cell, energy absorbing resilient foam laminated layers, nylon filament reinforced, tough polyurethane skin or vulcanized rubber skin. This construction offers a number of important features and advantages.
Marine rubber fenders are the traditional choice. However, foam filled marine fenders have significant advantages over the rubber fenders and pneumatic fenders.
● Comparing with compressed rubber fenders, foam filled marine fenders can keep floating and wont be affected by large tidal range.
● Free of inspection, inflation and maintenance comparing with floating pneumatic fenders
● Safe and have no blast danger comparing with pneumatic fenders
● Hung by the chains, easy to install and capable of floating
● Low initial counterforce, superior damping function
● Highest energy absorption among all the rubber fenders, with low reaction force
● Wide range of standard and customer size
● Tough polyurethane skin, or vulcanized rubber skin
● Unsinkable design even if skin is punctured
At inclined berthing, the reduction of energy absorption of foam filled fenders is less than the solid rubber fenders.

Solid Rubber Fenders Foam Filled Marine Fenders
Extensive Applicability of Foam Filled Marine Fenders
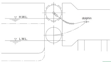
The foam filled marine fenders can be used for the gravity type wharf and dolphin wharf, the ports having large tidal range. Of course, it’s also is the best choose for the ship-to-ship operation. As the necessary protective facilities of the wharfs, having flexible ability of meeting emergency. Improving the water level of the berths by using superior foam filled marine fenders, upgraded the wharfs.
● Cruise Ships
● Container vessels
● Bulk cargo
● RoRo and ferries
● Navy berths
● Oil and gas tankers
● General cargo
Evergreen Maritime foam filled marine fenders are manufactured comply with US Navy and Coast Guard specification, and PIANC Guidelines.





